|
Модуль защиты BMS 3S 25A с переделкой и установкой
|
|
|
Anat78
|
Дата: Понедельник, 21.01.2019, 16:41 | Сообщение # 1
|
Администраторы
Anat78
Подполковник
- Сообщений:8090
- Репутация:67±
|
Модуль защиты BMS 3S 25A с переделкой и установкой
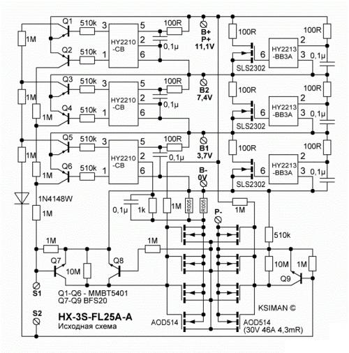
Из-за невысокой стоимости и встроенного балансира плату защиты можно встраивать прямо в батарейный блок электроинструмента. Функций зарядки плата не имеет. Маркировка платы HX-3S-FL25A-A Приобрести можно на Алиэкспресс у этого проверенного продавца: http://ali.pub/3uovp7


Из-за невысокой стоимости и встроенного балансира плату защиты можно встраивать прямо в батарейный блок электроинструмента. Функций зарядки плата не имеет. Маркировка платы HX-3S-FL25A-A
Размер платы совпадает с указанным 56х45мм, однако, толщина 4мм значительно больше заявленных 1,2мм, имейте это в виду. Шунт собран из двух SMD резисторов по 5мОм в параллель (суммарно 2,5мОм). Проволочные шунты всё-же надёжнее держат перегрузку, тут очевидно немного сэкономили, зато резисторы плоские и не торчат. Полевики стоят AOD514 в параллель по 4 штуки

Балансировка собрана на базе HY2213-BB3A, номинальное напряжение балансировки 4,20В Ток балансировки фиксированный 42мА (4,20В/100Ом=42мА), для не шибко ёмких аккумуляторов этого вполне достаточно. Балансировка работает постоянно и независимо от схемы защиты. Пока напряжение на любом из аккумуляторов превышает 4,20В, к нему подключается нагрузочное сопротивление 100 Ом до тех пор, пока он не разрядится до 4,20В.
При желании, данную плату можно легко переделать в 2S просто замкнув перемычкой B2 и B+, при этом силовые ключи могут греться сильнее за счёт повышения сопротивления каналов полевиков. Защиту обеспечивают контроллеры HY2110-CB
Схема платы HX-3S-FL25A-A:

Схема хоть и выглядит сложновато, работает просто и понятно. Ошибки естественно никуда не делись — китайцы держат марку  Нумерация транзисторов показана условно. На p-n-n транзисторах Q1-Q6 собран преобразователь уровней и сумматор сигналов с HY2210 На n-p-n транзисторах Q7-Q9 собрана нехитрая транзисторная логика управления силовыми ключами Q7 отпирается при переразряде любого аккумулятора до напряжения ниже 2,40В, восстановление происходит при напряжении свыше 3,0В (после снятия нагрузки либо подключения к зарядке). Q8 обеспечивает защёлкивание защиты после её срабатывания до момента полного снимания нагрузки. Одновременно, на нём организована быстродействующая защита при коротком замыкании нагрузки, когда ток прыгает свыше 100А. Q9 отпирается при перезаряде любого аккумулятора до напряжения свыше 4,28В, восстановление происходит под нагрузкой при напряжении ниже 4,08В. При этом силовые ключи не препятствуют протеканию разрядного тока. Точные пороги всех контроллеров я не проверял, т.к. это трудоёмко, но реально они не сильно отличаются от заявленных в спецификации.
S1 и S2 — просто контрольные точки, к термозащите отношения не имеют. Более того, замыкать их между собой нельзя. Как нормально подключить термозащиту — ниже расскажу и покажу. На S1 появляется сигнал при переразряде любого элемента. На S2 появляется сигнал при перезаряде любого элемента, а также после срабатывания токовой защиты. Ток потребления платой очень мал — 8мкА.
Типовая схема подключения платы не является оптимальной, т.к. к плате идут аж 4 силовых провода. Я подключил по более простой схеме, когда к плате идёт всего 2 силовых провода. Такое подключение допускается при малой длине соединительных проводов до аккумуляторов
78294@mail.ru - 3D печать, крепления для L-boxx Bosch, Festool и многое другое. http://www.78294.ru/forum/48
|
|
|
|
|
|
Anat78
|
Дата: Вторник, 22.01.2019, 09:38 | Сообщение # 2
|
Администраторы
Anat78
Подполковник
- Сообщений:8090
- Репутация:67±
|
Под нагрузкой при резком нажатии курка тут-же срабатывает защита платы  Сначала, я логично предположил, что она отрубается из-за токовой перегрузки, но замыкание шунта платы ничего не изменило. Стало понятно, что не токовая перегрузка платы вызывает срабатывание защиты. Далее, подключил осциллограф в режиме записи к аккумуляторам и проверил напряжение на них под нагрузкой. Напряжение успело провалиться ниже 7В и защита тут-же сработала  Вот и причина срабатывания защиты. Почему напряжение так сильно провалилось, ведь аккумуляторы высокотоковые? Давайте займёмся измерениями и расчётами: — напряжение аккумуляторов 11,4В (HP890CN) — внутреннее сопротивление аккумуляторов из даташита на постоянном токе DC-IR 66мОм (3х22мОм) — измеренное сопротивление двигателя 63мОм — сопротивление соединительных проводов и переключателя шуруповёрта — 23мОм — сопротивление платы защиты — шунт + MOSFET + провода подключения — 10мОм Общее сопротивление цепи 66+63+23+10=162мОм Ток в цепи 11,4/0,162=70А Немало, однако…
Но проблема не в токе, а в падении напряжения на аккумуляторах. При токе 70А напряжение каждого аккумулятора снижается на 70*0,022=1,54В и становится 3,8-1,54=2,26В. Вот она, реальная причина срабатывания защиты! Корректировать или убирать защиту нежелательно — снижается безопасность использования, поэтому её надо просто замедлить на время пуска двигателя. Добавляем конденсатор 0,47мкФ в нужное место и задержка готова  Если кому-то паять мелочь на плату затруднительно, можно запаять конденсатор навесным монтажом между S1 и B- Мне проще было поставить SMD конденсатор  Теперь есть достаточно времени, чтобы двигатель успел раскрутиться под нагрузкой. При жёсткой блокировке двигателя на полном газу, защита срабатывает через 0,3 сек, а не мгновенно, как раньше. Переделанная плата:

Плата содержит высокоомные цепи, поэтому после пайки необходимо тщательно отмывать плату.
Схема после переделки:

Описание всех доработок 1. Выпаян ненужный конденсатор 0,1мкФ со 2 вывода HY2210 к шунту. Зачем его вообще поставили — непонятно, в даташите на HY2210 он отсутствует. На работу не влияет, но выпаял его от греха подальше. 2. Добавлен резистор база-эмиттер для нормального восстановления после срабатывания защиты. Без него, автовосстановление защиты после снятия нагрузки работает крайне нестабильно, т.к. малейшие наводки на P- мешают сбрасывать защиту. Подходящий номинал резистора 1-3МОм. Паял этот резистор аккуратно непосредственно к выводам транзистора. Осторожно, не перегревайте его! 3. Добавлен конденсатор 0,47мкф для замедления срабатывания защиты от переразряда с 25мс (типовое для HY2210) до 300мс. Пробовал подключать конденсатор 0,1мкФ — защита срабатывает слишком быстро для здоровенного двигателя RS-775. Если двигатель совсем зверский, может понадобиться установка более ёмкого конденсатора, например 1мкФ
Теперь резкое нажатие на курок под нагрузкой не приводит к срабатыванию защиты 
Подключение защитного термовыключателя. К данной плате можно подключить как NO так и NC термовыключатель. Схемы привожу ниже.

Я использовал NO термовыключатель KSD 9700 5A 70ºC

Приклеил его к аккумуляторам

Итоговая схема получилась такова
78294@mail.ru - 3D печать, крепления для L-boxx Bosch, Festool и многое другое. http://www.78294.ru/forum/48
|
|
|
|
|
|
Anat78
|
Дата: Вторник, 22.01.2019, 09:46 | Сообщение # 3
|
Администраторы
Anat78
Подполковник
- Сообщений:8090
- Репутация:67±
|
Конденсатор у меня 1мкФ, резистор 1МОм. Схема работает идеально.

78294@mail.ru - 3D печать, крепления для L-boxx Bosch, Festool и многое другое. http://www.78294.ru/forum/48
|
|
|
|
|
|
Anat78
|
Дата: Понедельник, 16.09.2019, 09:10 | Сообщение # 4
|
Администраторы
Anat78
Подполковник
- Сообщений:8090
- Репутация:67±
|
PCM-BMS 3S 25A 12,6V схема BMS http://ali.pub/3uovp7

78294@mail.ru - 3D печать, крепления для L-boxx Bosch, Festool и многое другое. http://www.78294.ru/forum/48
|
|
|
|
|
|
|
evkormin
|
Дата: Суббота, 09.11.2019, 13:52 | Сообщение # 6
|
Пользователи
evkormin
Рядовой
- Сообщений:24
- Репутация:0±
|
Anat78, переделал несколько шуруповёртов на батареи 4S. Сейчас хочу переделать B&D с питанием 9,6В. Прикупил BMS nly-3c-v3.0. Теперь встал вопрос чем заряжать? У меня все зарядки под 4S с Jack- ом и не хочется заводить ещё одну и потом следить, чтобы не перепутать. Встраивать в батарею понижающий конвертор с диодом развязки не хочется. Поэтому для меня актуален вопрос: а почему не заряжать зарядкой для литиевых батарей 4S (16,8 В)? При любой её организации она обеспечит заряд ограниченным током до напряжения защиты BMS, а потом будет отключена последней. Отсутствие CU режима, по-моему, совершенно не страшно, как и наличие повышенного напряжения на контактах отключенного BMS. Разъём заряда я размещаю так, что он доступен только при отсоединённой АКБ - двигатель никогда не подключится к зарядке, да и это не страшно. Элементная база BMS наверняка та же, что и для 4S, поэтому не сгорит. По-моему, ничто не мешает так сделать, но, хочется получить подтверждение опытного специалиста чтобы чего-нибудь не спалить. Меня поддерживает тот факт, что имеющийся у меня инструмент Bosh с 1S и 2S питается одинаковыми зарядками, насколько помню, на 16В.
|
|
|
|
|
|
Anat78
|
Дата: Суббота, 09.11.2019, 15:39 | Сообщение # 7
|
Администраторы
Anat78
Подполковник
- Сообщений:8090
- Репутация:67±
|
Если у вас уже есть зарядные устройства на 16,8 вольт то самое правильно будет понизить это напряжение до 12,6в для зарядки 3S Можно конечно подать и 16,8 вольт на бмс 3S и она отключит батарею от зарядного при достижении 12,6 но есть проблема с некоторыми бмс, некоторые отключают батарею только при 13,5 вольт а это очень плохо Нужно проверять плату БМС поэтому если хотите заряжать от 16,8В Самое простое понизить на 4,2 вольта это в зарядном устройстве заменить резистор на делителе Или вообще поставить последовательно 5 диодов
78294@mail.ru - 3D печать, крепления для L-boxx Bosch, Festool и многое другое. http://www.78294.ru/forum/48
|
|
|
|
|
|
evkormin
|
Дата: Суббота, 09.11.2019, 17:35 | Сообщение # 8
|
Пользователи
evkormin
Рядовой
- Сообщений:24
- Репутация:0±
|
Anat78, мне как раз не хочется плодить разнотипные зарядки, тем более, с одинаковыми разъёмами. BMS у меня как раз тот, что описан в этой теме, только на 40А по описанию http://ali.pub/40nmc3 И напряжение защиты у него, к сожалению, как раз 4,25В. Значит, придётся монтировать внутрь батареи DC-DC примерно на 12,8 и поставить для развязки последовательно диод Шотки http://ali.pub/40nn0l DC-DC просто крошечные http://ali.pub/40nmkn http://ali.pub/40nmq3
Сообщение отредактировал evkormin - Суббота, 09.11.2019, 18:06 |
|
|
|
|
|
Anat78
|
Дата: Суббота, 09.11.2019, 18:47 | Сообщение # 9
|
Администраторы
Anat78
Подполковник
- Сообщений:8090
- Репутация:67±
|
Все верно, микро DC-DC преобразователь как раз влезет Поясню для других зачем диод Шотки - чтобы восстанавливалась защита батареи при срабатывании от перегрузки Можно поставить и обычный кремниевый диод, просто придется на выходе преобразователя выставить уже 13,6В и терять 1,5 ватта на диоде
78294@mail.ru - 3D печать, крепления для L-boxx Bosch, Festool и многое другое. http://www.78294.ru/forum/48
|
|
|
|
|
|
evkormin
|
Дата: Суббота, 09.11.2019, 20:05 | Сообщение # 10
|
Пользователи
evkormin
Рядовой
- Сообщений:24
- Репутация:0±
|
Anat78, С этими синхронными преобразователями есть большая для меня неясность: как он поведёт себя в режиме перегрузки по току: снизит ли выходное напряжение, поддерживая ток (CI) или отключится, а так же как поведёт себя, если основной источник 16,8В снизит напряжение в режиме CI ниже 12,8В. Я не стал разбираться с даташитами, а просто решил использовать DC-DC с током, не превышающим выходной ток первичного источника. Кажется, что при этом исчезнет проблема перехода первичного источника в режим CI и его выходное напряжение будет постоянным. Этому постоянству будет способствовать то, при при токоограничении DC-DC на уровне 1а его входной ток будет меньше на коэффициент преобразования и не превысит предельного выходного тока первичного источника в 1А (я выбираю такой источник). Это упростит задачу и останется только вопрос поведения DC-DC при перегрузке по току. К сожалению, при этом мне пришлось отказаться от использования DC-DC на 3.5а, который обеспечил бы быструю зарядку.
|
|
|
|
|
|
Anat78
|
Дата: Суббота, 09.11.2019, 20:39 | Сообщение # 11
|
Администраторы
Anat78
Подполковник
- Сообщений:8090
- Репутация:67±
|
Если рассматривать второй преобразователь, то при превышении тока более 3А он уйдет в защиту сразу (например 10вольт 3а это 30ватт, но блок питания столько не дает значит ограничится по входу током 1А, поэтому вся эта система перейдет в пульсирующий режим работы), ограничить ток можно резистором 1 ом, но нагрев Чтобы ограничить ток заряда нужно использовать такой преобразователь: http://ali.pub/40ofnx
78294@mail.ru - 3D печать, крепления для L-boxx Bosch, Festool и многое другое. http://www.78294.ru/forum/48
|
|
|
|
|
|
evkormin
|
Дата: Суббота, 09.11.2019, 21:14 | Сообщение # 12
|
Пользователи
evkormin
Рядовой
- Сообщений:24
- Репутация:0±
|
Anat78, Это понятно: нужен CI-CU, но он не полезет в батарею. Я решил всё таки попробовать вариант, который описал выше. Но, есть ещё одна проблема: пока я разбирался с характеристиками пригодных DC DC, нашёл в одном из описаний, что на указанном предельном токе блок перегревается и уходит в термозащиту. Буду пробовать. Конечно, нужен бы CI-CU.
Добавлено (11.11.2019, 17:19) --------------------------------------------- Anat78, Вопрос немного не по существу, хотя в тему: на Али появились неизвестные мне аккумуляторы. Я сейчас заказал http://ali.pub/429spa Напрягает буковка М (25RM) и увеличенная ёмкость - 2500мАч (вроде, раньше все были 2200). И ещё "разрядка 5А" в заголовке. Я то купил для шуруповёрта? И как достигли увеличения ёмкости и токоотдачи вот в таких http://ali.pub/429ugv http://ali.pub/429u5l Что означают VTC4, CN-6?
|
|
|
|
|
|
Anat78
|
Дата: Среда, 13.11.2019, 02:05 | Сообщение # 13
|
Администраторы
Anat78
Подполковник
- Сообщений:8090
- Репутация:67±
|
Цитата evkormin (  ) Напрягает буковка М (25RM) Все нормально, после М указывается номер модификации, последняя сейчас М6 от самсунга Аккумулятор INR18650-25RM представляет собой улучшенную версию популярного аккумулятора INR18650-25R. Увеличилось количество циклов заряд-разряд и немного возросла минимальная гарантированная емкость https://www.powerstream.com/p/INR18650-25R-datasheet.pdf
Цитата evkormin (  ) Я то купил для шуруповёрта? Подойдут
Цитата evkormin (  ) И как достигли увеличения ёмкости и токоотдачи вот в таких Совсем другая химия производства, все совершенствуется
Цитата evkormin (  ) Что означают VTC4, CN-6? Просто номер модели SE US18650VTC4 SONY https://www.powerstream.com/p/us18650vtc4.pdf
78294@mail.ru - 3D печать, крепления для L-boxx Bosch, Festool и многое другое. http://www.78294.ru/forum/48
|
|
|
|
|
|
evkormin
|
Дата: Среда, 13.11.2019, 10:12 | Сообщение # 14
|
Пользователи
evkormin
Рядовой
- Сообщений:24
- Репутация:0±
|
Anat78, Спасибо.
Добавлено (13.11.2019, 11:28) --------------------------------------------- Anat78, посмотрел твои обзоры на форуме и наткнулся на плату 3S 60A с раздельным входом зарядки. Для меня это как раз то, что нужно: не нужен диод развязки. Вопрос: там два типа плат. Я нацелился на 100мА балансировки, т.к. она позволит реализовать быстрый заряд высокотоковым источником. 1. Я не ошибаюсь в выборе? 2. Это та плата, которая нужна ?: http://ali.pub/42f8rf Как понять, какой это тип? По фото это Enhanced версия, но ток балансировки (equlibrium ??) 100 мА. Как не промахнуться с заказом? Запутался! Судя по фото это Standard вариант, а что это такое и в чём отличие - непонятно. Подожду ответа.
Сообщение отредактировал evkormin - Среда, 13.11.2019, 11:53 |
|
|
|
|
|
Anat78
|
Дата: Среда, 13.11.2019, 14:22 | Сообщение # 15
|
Администраторы
Anat78
Подполковник
- Сообщений:8090
- Репутация:67±
|
Цитата evkormin (  ) 1. Я не ошибаюсь в выборе? Все верно
Цитата evkormin (  ) Как понять, какой это тип? Лучше взять тут тогда: http://ali.pub/42fsxo
78294@mail.ru - 3D печать, крепления для L-boxx Bosch, Festool и многое другое. http://www.78294.ru/forum/48
|
|
|
|
|
|
evkormin
|
Дата: Среда, 13.11.2019, 15:03 | Сообщение # 16
|
Пользователи
evkormin
Рядовой
- Сообщений:24
- Репутация:0±
|
Цитата Anat78 (  ) Лучше взять тут тогда: Сомнения меня не оставляют: я просмотрел много страниц предложений и по описаниям составил такое мнение. Есть два варианта плат 1. Стандартная или улучшенная, похоже, менее сильноточная, но про её балансировочные возможности ничего не написано, и в её характеристиках ток балансировки 100мА и приписка "Balance", как и в тех описаниях, где приведено обе платы. Про баланс упоминается Примечание 3:При зарядке аккумулятора, "430" титановый провод для катушки нагрева является нормальным, что указывает на то, что схема выравнивания работает; если "430" резистор также горячий в незаряженном состоянии, пожалуйста, проверьте, подключена ли неправильная линия. Резистор 430 - это мощный SMD резистор, устанавливаемый на платы именно Balans с током балансировки 100мА.
Сообщение отредактировал evkormin - Среда, 13.11.2019, 15:05 |
|
|
|
|
|
evkormin
|
Дата: Среда, 13.11.2019, 16:21 | Сообщение # 17
|
Пользователи
evkormin
Рядовой
- Сообщений:24
- Репутация:0±
|
Anat78, спасибо за поддержку. Всё, решил задачу Буриданового осла (выбор был велик): купил вот тут. http://ali.pub/42grfl Польстился на то, что продавец с 5 баллами одну такую уже продал.
|
|
|
|
|
|
Poznovatel
|
Дата: Вторник, 10.12.2019, 11:42 | Сообщение # 18
|
|
|
Привет, наткнулся на bms 3s в чёрном цвете, защита вообще не срабатывает ни на первой ни на второй скорости, а вот при удержании патрона на второй скорости даже задымился силовой полевик около контакта b1, может подскажете в чём проблема.
|
|
|
|
|
|
Anat78
|
Дата: Вторник, 10.12.2019, 12:01 | Сообщение # 19
|
Администраторы
Anat78
Подполковник
- Сообщений:8090
- Репутация:67±
|
Проблема именно в плате БМС, она у вас бракованная Что черные что зеленые они должны срабатывать всегда по току Постоянно даже приходится увеличивать время срабатывания защиты на этих платах
78294@mail.ru - 3D печать, крепления для L-boxx Bosch, Festool и многое другое. http://www.78294.ru/forum/48
|
|
|
|
|
|
29andrey12
|
Дата: Четверг, 12.12.2019, 16:55 | Сообщение # 20
|
|
|
Здравствуйте, мне нужно реализовать электронную схему данной платы в САПРе, но я не могу найти ни модели чипов HY2210 и HY2113, ни их аналогов вообще. Если кто-нибудь занимался таким, прошу помощи.
|
|
|
|
|
|
Anat78
|
Дата: Четверг, 12.12.2019, 18:13 | Сообщение # 21
|
Администраторы
Anat78
Подполковник
- Сообщений:8090
- Репутация:67±
|
Смоделируйте сами согласно даташитов и схемы https://www.uploadarchief.net/files/download/ds-hy2110.pdf https://datasheet.lcsc.com/szlcsc/HY2113-KB5B_C168771.pdf
78294@mail.ru - 3D печать, крепления для L-boxx Bosch, Festool и многое другое. http://www.78294.ru/forum/48
|
|
|
|
|
|
29andrey12
|
Дата: Пятница, 13.12.2019, 16:42 | Сообщение # 22
|
|
|
В том и проблема, я не знаю как смоделировать чип по даташиту. В программе Multisim есть только типовые элементы. Можно попробовать в Proteus, но я плохо владею этой программой.
|
|
|
|
|
|
kafirek754
|
Дата: Понедельник, 16.12.2019, 20:01 | Сообщение # 23
|
|
|
подскажите пожалуйста бмс на 48вольт есть в природе?
|
|
|
|
|
|
Anat78
|
Дата: Понедельник, 16.12.2019, 20:31 | Сообщение # 24
|
Администраторы
Anat78
Подполковник
- Сообщений:8090
- Репутация:67±
|
конечно же есть это BMS 12S http://ali.pub/48sob3 http://ali.pub/48sohi
78294@mail.ru - 3D печать, крепления для L-boxx Bosch, Festool и многое другое. http://www.78294.ru/forum/48
|
|
|
|
|
|
kir
|
Дата: Понедельник, 18.05.2020, 19:54 | Сообщение # 25
|
|
|
Спасибо за доработки. У меня плата не даёт заряжаться АКБ. После пропайrи и чистки плата один раз дала зарядить и после срабатывания защиты по перезаряду опять в коме. Транзистор Q9 вроде живой.
|
|
|
|
|
|
Anat78
|
Дата: Вторник, 19.05.2020, 08:21 | Сообщение # 26
|
Администраторы
Anat78
Подполковник
- Сообщений:8090
- Репутация:67±
|
Вроде? надо точно знать, проверить все транзисторы
78294@mail.ru - 3D печать, крепления для L-boxx Bosch, Festool и многое другое. http://www.78294.ru/forum/48
|
|
|
|
|
|
kir
|
Дата: Вторник, 19.05.2020, 12:01 | Сообщение # 27
|
|
|
Проверял на плате, без выпайки. Кстати при прозвонке ключ открывается и зарядка начинает идти.
|
|
|
|
|
|
AdmiralBlack
|
Дата: Суббота, 08.08.2020, 02:30 | Сообщение # 28
|
|
|
Уважаемые господа подскажите пожалуйста. Тут сказано, что: "S1 и S2 — просто контрольные точки, к термозащите отношения не имеют. На S1 появляется сигнал при переразряде любого элемента. На S2 появляется сигнал при перезаряде любого элемента, а также после срабатывания токовой защиты." в тоже время к S1 подключают термодатчик - вот этот момент не совсем понятен.
И собственно сам вопрос а как к ним подключит к примеру индикаторы (светодиоды) чтобы визуально было видно. что или разряд и защита сработала, или зарядились аккумы.
P.S. использую не для шуруповерта, такой небольшой портативный аккумулятор на велосипед.
|
|
|
|
|
|
Anat78
|
Дата: Суббота, 08.08.2020, 13:32 | Сообщение # 29
|
Администраторы
Anat78
Подполковник
- Сообщений:8090
- Репутация:67±
|
Индикатор полного заряда подключается к балансировочным резисторам просто

А так на зарядных есть и индикатор окончания заряда и процесса заряда
78294@mail.ru - 3D печать, крепления для L-boxx Bosch, Festool и многое другое. http://www.78294.ru/forum/48
|
|
|
|
|
|
AdmiralBlack
|
Дата: Понедельник, 10.08.2020, 02:47 | Сообщение # 30
|
|
|
Цитата Anat78 (  ) Индикатор полного заряда подключается к балансировочным резисторам просто Здравствуйте, не посчитайте меня идиотом, но не совсем понял. Светодиод параллельно резистору подключается что ли? так на фотографии не видно мелкая очень и зачем там два провода на плату идут красный и черный. Можете чуть поподробней объяснить, пожалуйста или кусочек схемы, куда эти светодиоды припаять. Очень Вам благодарен, с уважением, Александр.
|
|
|
|
|