|
BMS 25A 3S-5S схема подключения
|
|
|
Anat78
|
Дата: Суббота, 20.02.2021, 14:26 | Сообщение # 1
|
Администраторы
Anat78
Подполковник
- Сообщений:8126
- Репутация:67±
|
BMS 25A 3S 12,6 V Купить можно здесь: https://alii.pub/71eque?erid=2SDnjdLm3vi


- Для литий-полимерный LiMnO защиты параметров (3,6 V/3,7 V)
- Защита от перезаряда на одной ячейке напряжение: 4,23-4,28 В
- Переносное напряжение rotect с одной ячейкой: 4,08-4,18
- Защита от перезарядки защиты задержки: 0,5-1.5S
- Защита от перенапряжения с одной ячейкой напряжение: 2,72-2,88 в
- Одиночные сотовые защита от избыточной разрядки защиты восстановить напряжение: 2,9-3,1 V
- Защита от перезаряда тока: 60A
- Защита от перегрузки тока: 60A
- Защита от избыточной разрядки protectdelay: 0,5-1.5S
- Защита температуры: Да
- Защита от отключения: Да
- Защита от нехватки: Да
- Задержка нехватки: 100 - 600 мкс
- Защита от нехватки: Да
- Ток зарядки: 25A
- Ток разрядки: 25A
- Напряжение при зарядке: 12,6
Отличные платы на чипе BM3451. Сам чип заливают компаундом, который попадает на контактные площадки, приходится их зачищать - поэтому некрасивая пайка всегда на площадках. Плата легко перепаивается на 4S, 5S. Плата без балансировки ячеек, но при использовании оригинальных аккумуляторов мировых производителей, разбаланс не возникает годами. Отсечка перезаряда примерно по 4,21В, в то время, как платы с балансировкой заряжают и по 4,27В, вплоть до 4,29В. Ток максимум до 25-30А. Зарядку можно подключать, до 24 вольт, т. е. и зарядка на 21В для 3S и 4S сборок тоже подойдёт. Очень крепкие и надёжные платы, использую для переделки шуруповертов. Ставлю кнопку сброса с Р- на В-. Иначе, из защиты не выходят(красные), зеленые платы выходят сами


Схема подключения в варианте BMS 3S

Схема подключения в варианте BMS 4S

Схема подключения в варианте BMS 5S


Использование в акб АЕГ:
78294@mail.ru - 3D печать, крепления для L-boxx Bosch, Festool и многое другое. http://www.78294.ru/forum/48
|
|
|
|
|
|
Anat78
|
Дата: Суббота, 20.02.2021, 14:48 | Сообщение # 2
|
Администраторы
Anat78
Подполковник
- Сообщений:8126
- Репутация:67±
|
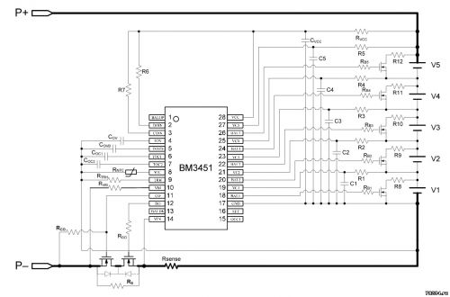
Чип BM3451TNDC-T20B, схема для 3S:
Доступно только для пользователей
78294@mail.ru - 3D печать, крепления для L-boxx Bosch, Festool и многое другое. http://www.78294.ru/forum/48
|
|
|
|
|
|
kai50505
|
Дата: Пятница, 05.03.2021, 10:17 | Сообщение # 3
|
Пользователи
kai50505
Рядовой
- Сообщений:29
- Репутация:0±
|
А такая плата на BM3451 с TSSOP28 встречается ?
|
|
|
|
|
|
Anat78
|
Дата: Пятница, 05.03.2021, 10:26 | Сообщение # 4
|
Администраторы
Anat78
Подполковник
- Сообщений:8126
- Репутация:67±
|
BM3451 с TSSOP28 - присутствует уже балансировка элементов, да вещь нужная, вот такая бмс : http://www.78294.ru/forum/23-779-1
78294@mail.ru - 3D печать, крепления для L-boxx Bosch, Festool и многое другое. http://www.78294.ru/forum/48
|
|
|
|
|
|
kai50505
|
Дата: Пятница, 05.03.2021, 21:28 | Сообщение # 5
|
Пользователи
kai50505
Рядовой
- Сообщений:29
- Репутация:0±
|
Да, эта действительно хороша и нужная вещь, но ее не пристроить из-за размеров. 100А мне и не нужно, для инструмента достаточно такой бмс на 25-30А . Места в аккумуляторах мало, в Makita влазит только балансир. В Bosсh ничего не войдет.
|
|
|
|
|
|
|
slavik86msk
|
Дата: Среда, 13.04.2022, 11:50 | Сообщение # 7
|
|
|
Добрый день ! Подскажите у красной платы есть режим 2S ?
|
|
|
|
|
|
Anat78
|
Дата: Среда, 13.04.2022, 13:15 | Сообщение # 8
|
Администраторы
Anat78
Подполковник
- Сообщений:8126
- Репутация:67±
|
Так как микросхема BM3451 работает от 5 вольт то на 2S режиме при разряде она будет отключаться
78294@mail.ru - 3D печать, крепления для L-boxx Bosch, Festool и многое другое. http://www.78294.ru/forum/48
|
|
|
|
|
|
|
grigorimax
|
Дата: Пятница, 21.06.2024, 06:56 | Сообщение # 10
|
Пользователи
grigorimax
Рядовой
- Сообщений:42
- Репутация:0±
|
Цитата Anat78 (  ) Схема подключения в варианте BMS 3S Не могу понять. переделка заключается в том, что не соединяются лишние ячейки или на плате надо что то убрать или добавить?
|
|
|
|
|
|
Anat78
|
Дата: Пятница, 21.06.2024, 07:10 | Сообщение # 11
|
Администраторы
Anat78
Подполковник
- Сообщений:8126
- Репутация:67±
|
Цитата grigorimax (  ) на плате надо что то убрать или добавить? да на плате стоят по разному резисторы возле контроллера, увеличите фото просто
78294@mail.ru - 3D печать, крепления для L-boxx Bosch, Festool и многое другое. http://www.78294.ru/forum/48
|
|
|
|
|
|
grigorimax
|
Дата: Пятница, 21.06.2024, 13:05 | Сообщение # 12
|
Пользователи
grigorimax
Рядовой
- Сообщений:42
- Репутация:0±
|
Нашел вроде

Из 5s на 3s надо добавить 3 резистора.
Сообщение отредактировал grigorimax - Пятница, 21.06.2024, 19:11 |
|
|
|
|