Форумчане:
Всего пользователей
  • Страница 1 из 1
  • 1
Ремонт платы шуруповёрта DCD777 и DCD778 и схема
Anat78 Дата: Понедельник, 04.10.2021, 12:20 | Сообщение # 1

Администраторы

Anat78

Подполковник

  • Сообщений:8241
  • Репутация:68±
Anat78

Перестал работать шуруповёрт Dewalt DCD777 и DCD778 ремонт и схема





Dewalt DCD777 тип 1, взрыв-схема:



Dewalt DCD778 тип 1, взрыв-схема:



Список запчастей Dewalt DCD777 тип 1:
1    N459083    КОРПУС В КОМПЛЕКТЕ dewalt N459083 - https://alii.pub/7aavmj?erid=2SDnjeskYMm
3    N071836    Roll pin 2.5 x 10.9 DCD777
4    N493868    Двигатель и выключатель dewalt N493868 - https://alii.pub/7aavk0?erid=2SDnjeK8pAB
5    N459095    СВЕТОДИОД dewalt N459095 DCD777
6    N399342    ПРИВОД, ВПЕР. / НАЗ. dewalt N399342 DCD777
7    N472976    РЕДУКТОР В СБОРЕ dewalt N472976 - https://alii.pub/7aavni?erid=2SDnjbtJKsM
8    N463678    ВИНТ dewalt N463678 DCD777
9    N472497    Зажимной патрон dewalt N472497 - https://alii.pub/7aavpg?erid=2SDnjcF49pB
10    N039795    Screw n039795 DCD777
11    N495304    ШПИНДЕЛЬ SA dewalt N495304 DCD777
12    N475306    О-КОЛЬЦО dewalt N475306 DCD777
13    N459098    ФЛАНЕЦ dewalt N459098 DCD777
14    N459099    ГАЙКА dewalt N459099 DCD777
15    N459442    ПРУЖИНА dewalt N459442 DCD777
16    N459455    ШАЙБА dewalt N459455 DCD777
17    386690-00    Шарик 386690-00 DCD777
18    N463692    КОРПУС МУФТЫ KIT dewalt N463692 DCD777
19    N459467    ШАЙБА dewalt N459467 DCD777
20    N455056    КОЛЬЦО dewalt N455056 DCD777
21    N456078    ШТИФТ dewalt N456078 DCD777
22    N495305    ТРАНСПОРТ SA dewalt N495305 DCD777
23    N459597    ШЕСТЕРНЯ dewalt N459597 DCD777
24    N459268    КОЛЬЦО dewalt N459268 DCD777
25    N459449    ПЛАСТИНА dewalt N459449 DCD777
26    N459094    КОРПУС РЕДУКТОРА dewalt N459094 DCD777
27    N075506    Screw m3 12x13 DCD777
28    N459273    СТАЛЬНАЯ ПРОВОЛОКА dewalt N459273 DCD777
29    N459102    ПЕРЕКЛЮЧАТЕЛЬ dewalt N459102 - https://alii.pub/7aavqf?erid=2SDnjcUQ3MH
30    N495306    ТРАНСПОРТ SA dewalt N495306 DCD777
31    N215916    Gear n215916 DCD777
32    N462062    КОЛЬЦО dewalt N462062 DCD777
33    N495307    ТРАНСПОРТ SA dewalt N495307 DCD777
35    N463849    КОЛЬЦО dewalt N463849 DCD777
36    N225458    Plate n225458 DCD777
37    N014681    Пластинчатая пружина n014681 DCD777
38    N474504    ВИНТ dewalt N474504 DCD777
39    N491258    ТАБЛИЧКА С ТЕХНИЧЕСКИМИ ДАННЫМИ dewalt N491258 DCD777
40    N492026    ЯРЛЫК ПРОИЗВОДИТЕЛЯ dewalt N492026 DCD777
41    N298039    Brushless branding label DCD777
43    N482398    ШТИФТ dewalt N482398 DCD777

861    N442424    НАБОР ИНСТРУМЕНТОВ dewalt N442424 DCD777
862    H1500082520    Latch h1500082520 DCD777
863    P910190    Latch p910190 DCD777
866    N195933    Sa zodiac battery 18v 4ah (service) DCD777
866    N379111    Battery 18v - 1.3ah n379111 DCD777
866    N314783    Sa dcb183-xj service euro (service) DCD777
871    N450536    ЗАРЯДНОЕ УСТРОЙСТВО (ЕВРОПА) dewalt N450536 DCD777

плата управления с двигателем здесь одинаковые на DCD777 и DCD778:





Код запчасти N493868 - https://alii.pub/7aavk0?erid=2SDnjeK8pAB

так же подходит запчасть: N806546 - https://alii.pub/7aavld?erid=2SDnjebSgFy



Двигатель отдельно от плату можно купить здесь - https://alii.pub/7aavsy?erid=2SDnjd1XnGX





Обращайтесь, пишите на почту, всегда помогу и переделаю ваши батареи на литий https://www.avito.ru/serov....4887428
По всем вопросам обращайтесь ко мне на почту 78294@mail.ru
Помогу с переделкой зарядных или переделаю любое зарядное от 300р.
Переделаю аккумуляторы на литиевые элементы от 1000р.
Регистрируйтесь и оставляйте комментарии с вопросами и пожеланиями.


78294@mail.ru - 3D печать, крепления для L-boxx Bosch, Festool и многое другое.
http://www.78294.ru/forum/48
sf-str Дата: Понедельник, 04.10.2021, 14:40 | Сообщение # 2

Пользователи

sf-str

Рядовой

  • Сообщений:3
  • Репутация:0±

Перестал работать шуруповёрт Dewalt DCD777. Разобрал его, обмотки не жжёные, проверил (правда не выпаивая с платы) транзисторы - между стоком и истоком нет пробоя. Пробовал подать заряд на затвор и транзистор открывался (но и закрывался конечно быстро).
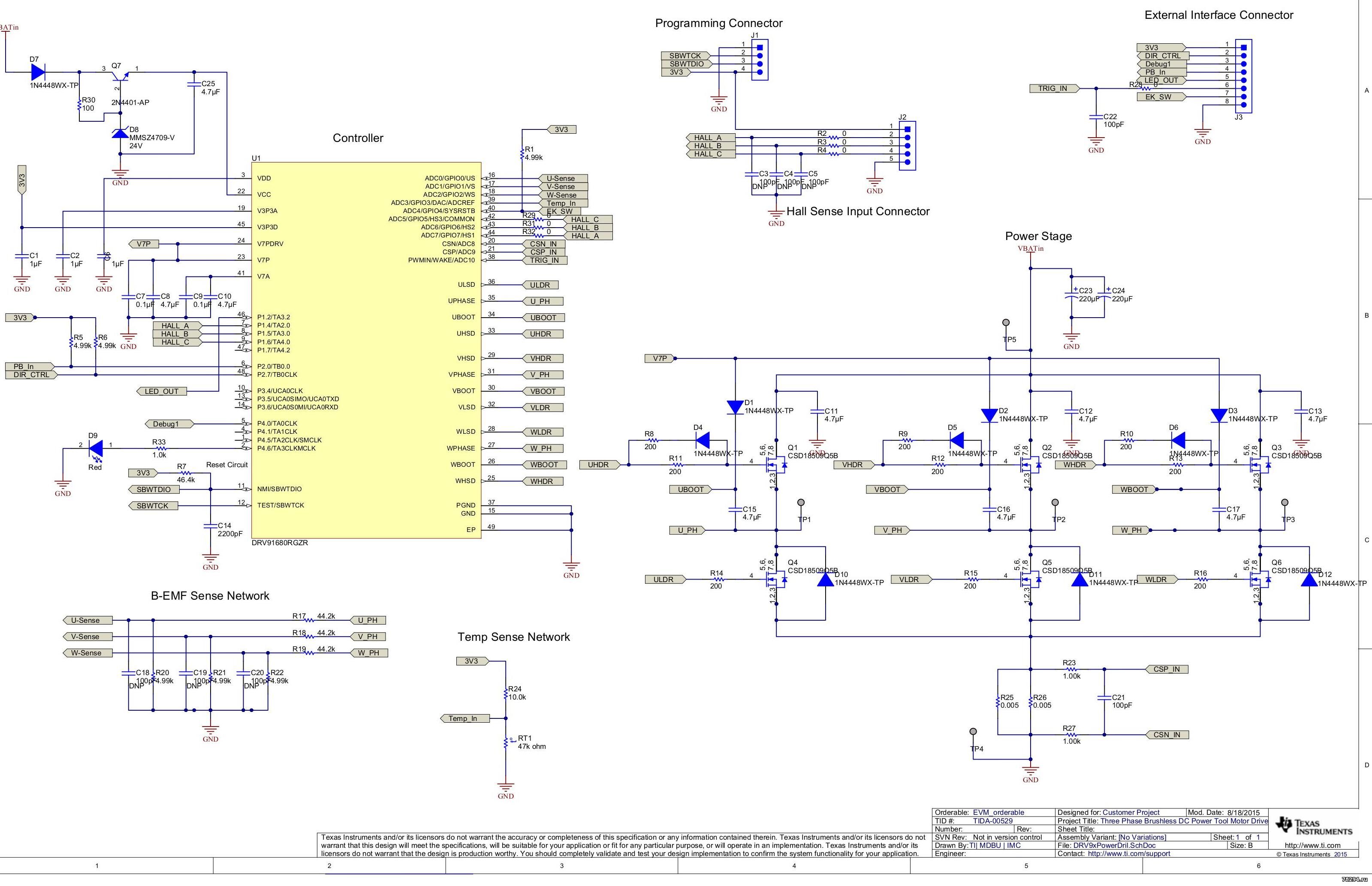
Транзисторы на плате шуруповерта Dewalt DCD777 стоят такие:
https://www.onsemi.com/pdf/datasheet/ntmfs4931n-d.pdf
Нашёл схему контроллера шуруповёрта (может кому-нибудь пригодится)
https://www.ti.com/lit....om%252F
Заметил, что перед стоками транзисторов верхнего плеча стоят предохранители, они целые.
Далее попробовал замыкать контакты, имитировав нажатие курка. Появлялись 3,3В на 45 ножке контроллера (контрольная точка V3P3A). Загорается светодиод, но странно то, что он никак не гаснет, если даже долго ждать. Похоже сдох контроллер, как выяснили с Anat78.

sf-str Дата: Понедельник, 04.10.2021, 14:59 | Сообщение # 3

Пользователи

sf-str

Рядовой

  • Сообщений:3
  • Репутация:0±

Anat78, возможно ли тогда купить у вас прошитый рабочий контроллер DRV91680RGZR? Наверно платы одинаковые, что и для Dewalt DCD991 и DCD996?
http://www.78294.ru/forum/171-1205-1





Сообщение отредактировал sf-str - Понедельник, 04.10.2021, 15:05
Anat78 Дата: Понедельник, 04.10.2021, 15:32 | Сообщение # 4

Администраторы

Anat78

Подполковник

  • Сообщений:8241
  • Репутация:68±
Anat78

Увы пока в наличии нет, закончились
Цитата sf-str ()
Наверно платы одинаковые, что и для Dewalt DCD991 и DCD996?
немного отличаются


78294@mail.ru - 3D печать, крепления для L-boxx Bosch, Festool и многое другое.
http://www.78294.ru/forum/48
sf-str Дата: Понедельник, 04.10.2021, 16:10 | Сообщение # 5

Пользователи

sf-str

Рядовой

  • Сообщений:3
  • Репутация:0±

Цитата Anat78 ()
Увы пока в наличии нет, закончились
А случайно у вас нет прошивки для контроллера?

Добавлено (04.10.2021, 23:42)
---------------------------------------------
Anat78, то есть у вас появляются прошитые контроллеры, если есть доноры? Или как?

Anat78 Дата: Пятница, 08.10.2021, 11:43 | Сообщение # 6

Администраторы

Anat78

Подполковник

  • Сообщений:8241
  • Репутация:68±
Anat78

Снимаю с доноров, когда плата уже не подлежит восстановлению никак
Из последних это было прогорание платы на месте силового транзистора


78294@mail.ru - 3D печать, крепления для L-boxx Bosch, Festool и многое другое.
http://www.78294.ru/forum/48
subs1 Дата: Среда, 27.10.2021, 00:12 | Сообщение # 7

Пользователи

subs1

Рядовой

  • Сообщений:2
  • Репутация:0±

не могу создать новую тему пока. есть в наличии полудохлый шуроповерт dewalt dcd790, при нажатии немого крутит (слабо), потом останавливается, со слов предыдущего хозяина его сильно перегрузили. тут вопрос в плате или в моторе скорее?

новый блок (кнопка плата и мотор N434176) на него стоит 7тыс - смыла менять нет. еще были варианты ремонтного набора от dcd791 (кнопка плата и мотор N438606) за 4-5 тыс, но не понятно влезут ли в корпус.

есть отдельно моторы на 790 - но раз они есть то проблема скорее в плате?
Anat78 Дата: Среда, 27.10.2021, 00:20 | Сообщение # 8

Администраторы

Anat78

Подполковник

  • Сообщений:8241
  • Репутация:68±
Anat78

Вероятнее всего на плате пробито одно плечо

78294@mail.ru - 3D печать, крепления для L-boxx Bosch, Festool и многое другое.
http://www.78294.ru/forum/48
subs1 Дата: Среда, 27.10.2021, 20:52 | Сообщение # 9

Пользователи

subs1

Рядовой

  • Сообщений:2
  • Репутация:0±

спасибо за ответ! буду снимать плату и проверять mosfet ы
есть советы как отковырять белый компанауд? может химия какая?
Anat78 Дата: Среда, 27.10.2021, 21:46 | Сообщение # 10

Администраторы

Anat78

Подполковник

  • Сообщений:8241
  • Репутация:68±
Anat78

все вручную зубочисткой
Но делать надо все аккуратно, вот пример не аккуратной работы при попытке отремонтировать и оторвали кучу деталей:



78294@mail.ru - 3D печать, крепления для L-boxx Bosch, Festool и многое другое.
http://www.78294.ru/forum/48
Anat78 Дата: Пятница, 30.09.2022, 10:30 | Сообщение # 11

Администраторы

Anat78

Подполковник

  • Сообщений:8241
  • Репутация:68±
Anat78

Новые платы для ремонта этих моделей шуруповертов всегда в наличии, пишите на почту отправлю вам

78294@mail.ru - 3D печать, крепления для L-boxx Bosch, Festool и многое другое.
http://www.78294.ru/forum/48
Anat78 Дата: Вторник, 07.05.2024, 08:53 | Сообщение # 12

Администраторы

Anat78

Подполковник

  • Сообщений:8241
  • Репутация:68±
Anat78

Принесли в ремонт, заменить корпус на новый и ремонт редуктора - сносились зубцы блокировки 2 скорости









Замена корпуса редуктора, N459094 - https://alii.pub/7aaver?erid=2SDnjdARNUf



78294@mail.ru - 3D печать, крепления для L-boxx Bosch, Festool и многое другое.
http://www.78294.ru/forum/48
Anat78 Дата: Пятница, 21.06.2024, 11:10 | Сообщение # 13

Администраторы

Anat78

Подполковник

  • Сообщений:8241
  • Репутация:68±
Anat78

Замена изношенной шестерни в редукторе DCD777
слизало выступы
Поставил новую: N459094 - https://alii.pub/7aaver?erid=2SDnjdARNUf





78294@mail.ru - 3D печать, крепления для L-boxx Bosch, Festool и многое другое.
http://www.78294.ru/forum/48
Anat78 Дата: Суббота, 28.12.2024, 11:46 | Сообщение # 14

Администраторы

Anat78

Подполковник

  • Сообщений:8241
  • Репутация:68±
Anat78

Еще один DCD777, ремонт редуктора, сломался переключатель - срезало шестерню



78294@mail.ru - 3D печать, крепления для L-boxx Bosch, Festool и многое другое.
http://www.78294.ru/forum/48
m0lezhk4 Дата: Понедельник, 22.12.2025, 01:47 | Сообщение # 15

Пользователи

m0lezhk4

Рядовой

  • Сообщений:14
  • Репутация:0±

Anat78, подскажите, насколько целесообразно по цене ремонтировать (отдавать в ремонт) плату управления данной модели?
Anat78 Дата: Понедельник, 22.12.2025, 01:49 | Сообщение # 16

Администраторы

Anat78

Подполковник

  • Сообщений:8241
  • Репутация:68±
Anat78

А что именно сломалось на плате?

78294@mail.ru - 3D печать, крепления для L-boxx Bosch, Festool и многое другое.
http://www.78294.ru/forum/48
m0lezhk4 Дата: Среда, 24.12.2025, 03:51 | Сообщение # 17

Пользователи

m0lezhk4

Рядовой

  • Сообщений:14
  • Репутация:0±

Не знаю. Просто шуруповерт не реагирует никак на нажатие кнопки. При подключении аккумулятора ничего не происходит. Визуально при разборке следов повреждения, оплавления нет. предполагаю, что дело либо в кнопке, либо в плате управления. Собственно, это в принципе, это единое устройство. Если менять всё в сборе - самый дешевый вариант, что я нашел около 3600. Т.е. это комплект из кнопки, платы управления, статор и ротор. Вот и хотелось бы узнать сколько примерно может стоить ремонт - заменить-то я и сам смогу на исправный комплект.
Anat78 Дата: Среда, 24.12.2025, 11:51 | Сообщение # 18

Администраторы

Anat78

Подполковник

  • Сообщений:8241
  • Репутация:68±
Anat78

Да просто замените плату

78294@mail.ru - 3D печать, крепления для L-boxx Bosch, Festool и многое другое.
http://www.78294.ru/forum/48
m0lezhk4 Дата: Пятница, 26.12.2025, 20:57 | Сообщение # 19

Пользователи

m0lezhk4

Рядовой

  • Сообщений:14
  • Репутация:0±

А артикул не подскажите? или же ссылку.
Anat78 Дата: Пятница, 26.12.2025, 21:38 | Сообщение # 20

Администраторы

Anat78

Подполковник

  • Сообщений:8241
  • Репутация:68±
Anat78

Двигатель и выключатель dewalt N493868 - https://alii.pub/7aavk0?erid=2SDnjeK8pAB

78294@mail.ru - 3D печать, крепления для L-boxx Bosch, Festool и многое другое.
http://www.78294.ru/forum/48
m0lezhk4 Дата: Среда, 31.12.2025, 02:03 | Сообщение # 21

Пользователи

m0lezhk4

Рядовой

  • Сообщений:14
  • Репутация:0±

Да я собственно про такой комплект и писал. Насколько я понимаю, плата управления и кнопка практически одна деталь. И отдельно я нашел только двигатель. Собственно, самый дешевый комплект из мотора, блока (платы) управления и кнопки стоит 3800 руб. Вопрос изначально стоял в том, имеет ли смысл пытаться отдать в сервис на платный ремонт блок управления, или разумней купить вышеуказанный комплект и самостоятельно установить. Что дешевле - платный ремонт или покупка комплекта?

Сообщение отредактировал m0lezhk4 - Среда, 31.12.2025, 02:04
Anat78 Дата: Среда, 31.12.2025, 02:32 | Сообщение # 22

Администраторы

Anat78

Подполковник

  • Сообщений:8241
  • Репутация:68±
Anat78

Официальные сервисы не ремонтирую платы

78294@mail.ru - 3D печать, крепления для L-boxx Bosch, Festool и многое другое.
http://www.78294.ru/forum/48
m0lezhk4 Дата: Суббота, 03.01.2026, 05:36 | Сообщение # 23

Пользователи

m0lezhk4

Рядовой

  • Сообщений:14
  • Репутация:0±

А разве официальные сервисы Девольта из России не ушли? Я думал, остались из ремонтников только те, кто на свой страх и риск платно ремонтирует.
Anat78 Дата: Суббота, 03.01.2026, 10:54 | Сообщение # 24

Администраторы

Anat78

Подполковник

  • Сообщений:8241
  • Репутация:68±
Anat78

Сервисные центры в России
https://service.dewalt.ru/DEWALT....ocators


78294@mail.ru - 3D печать, крепления для L-boxx Bosch, Festool и многое другое.
http://www.78294.ru/forum/48
Dukas Дата: Воскресенье, 05.04.2026, 13:08 | Сообщение # 25

Пользователи

Dukas

Рядовой

  • Сообщений:3
  • Репутация:0±

Здравствуйте. Сломался Девольт DCD777.
Симптомы такие. Включается, работает до момента пока не потухнет светодиод., я его тряс, стучал, пытался брать на скручивание, переключал режимы, нормально реагирует на нажмите кнопки, работает исправно. Как только тухнет светодиод, он перестает работать полностью, превращается в кирпич. Если подождать примерно 10 минут, то цикл работы можно повторить.
Не подскажите в чем причина, имеет ли смысл менять мозги или можно обойтись ремонтом?
Anat78 Дата: Воскресенье, 05.04.2026, 14:01 | Сообщение # 26

Администраторы

Anat78

Подполковник

  • Сообщений:8241
  • Репутация:68±
Anat78

Батарею высаживает если поставить недельку?

78294@mail.ru - 3D печать, крепления для L-boxx Bosch, Festool и многое другое.
http://www.78294.ru/forum/48
Dukas Дата: Воскресенье, 05.04.2026, 15:31 | Сообщение # 27

Пользователи

Dukas

Рядовой

  • Сообщений:3
  • Репутация:0±

Нет, батарею не сажает.

Сообщение отредактировал Dukas - Воскресенье, 05.04.2026, 15:32
Anat78 Дата: Воскресенье, 05.04.2026, 15:52 | Сообщение # 28

Администраторы

Anat78

Подполковник

  • Сообщений:8241
  • Репутация:68±
Anat78

значит проверить кнопку

78294@mail.ru - 3D печать, крепления для L-boxx Bosch, Festool и многое другое.
http://www.78294.ru/forum/48
Dukas Дата: Воскресенье, 05.04.2026, 17:13 | Сообщение # 29

Пользователи

Dukas

Рядовой

  • Сообщений:3
  • Репутация:0±

Завтра попробую ее проверить, шуруповёрт на работе.
  • Страница 1 из 1
  • 1
Поиск: