|
Anat78
|
Дата: Понедельник, 25.11.2019, 09:35 | Сообщение # 1
|
Администраторы
Anat78
Подполковник
- Сообщений:8191
- Репутация:68±
|
Рубанки
Makita M1902

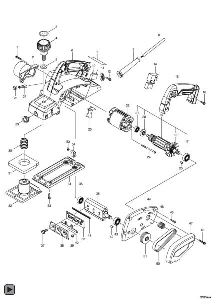
1 265147-9 + PAN HEAD SCREW M4X22 2 451329-1 NOZZLE 3 809N37-6 SCALE LABEL 4 271429-9 KNOB 44 5 267278-0 FLAT WASHER 10 6 143761-0 MAIN FRAME COMPLETE 6 643509-5 BRUSH HOLDER 6X9 7 852K30-1 M1902 NAME PLATE 8 695454-0 POWER SUPPLY CORD 1.0-2-2.0 9 682516-3 CORD GUARD 9.3-85 10 645190-8 NOISE SUPPRESSOR 11 687124-5 STRAIN RELIEF 12 266841-6 TAPPING SCREW 4X18 13 654532-5 TERMINAL BLOCK 1P 14 650246-4 SWITCH TN14-3-C01-1 15 456704-6 HANDLE COVER 16 266841-6 TAPPING SCREW 4X18 17 210141-6 BALL BEARING 6000DDW 18 240068-6 FAN 52 19 513479-1 ARMATURE ASS'Y 240V INC. 17,18,20,21 20 681672-6 INSULATION WASHER 21 211382-7 BALL BEARING 607ZZ 22 599066-0 FIELD ASS'Y 240V 22 654450-7 RING TERMINAL 22 654501-6 CONNECTOR P-1.25 23 456707-0 ASSIST FAN GUIDE 24 266334-3 TAPPING SCREW 4X60 27 191940-4 CARBON BRUSH CB-411 28 643987-9 BRUSH HOLDER CAP 5-8 29 265757-2 THUMB SCREW M5X10 30 233395-8 COMPRESSION SPRING 18 31 421858-8 RUBBER PACKING 32 319418-7 FRONT BASE 33 266841-6 TAPPING SCREW 4X18 34 318499-8 BASE 35 210046-0 BALL BEARING 608ZZ 36 161458-9 DRUM 37 251482-1 HEX. SOCKET HEX. BOLT M6X17 38 347024-8 DRUM PLATE 39 265132-2 + PAN HEAD SCREW M4X5 40 345644-2 ADJUST PLATE 43 210141-6 BALL BEARING 6000DDW 44 143763-6 BRACKET COMPLETE 44 263002-9 RUBBER PIN 4 45 222163-4 V PULLEY 4-20L 46 266841-6 TAPPING SCREW 4X18 47 456963-2 BELT COVER 48 265101-3 PAN HEAD SCREW M4X25 50 225092-0 POLY V-BELT 4-241 51 222164-2 V PULLEY 4-37 52 343433-9 SET PLATE F/MINI BLADE 53 231698-4 TORSION SPRING 7 54 451392-4 FOOT 165581-2 GUIDE RULE 456751-7 BLADE GAUGE 783217-7 HEX. WRENCH 5
78294@mail.ru - 3D печать, крепления для L-boxx Bosch, Festool и многое другое. http://www.78294.ru/forum/48
|
|
|
|
|
|
Anat78
|
Дата: Понедельник, 25.11.2019, 09:35 | Сообщение # 2
|
Администраторы
Anat78
Подполковник
- Сообщений:8191
- Репутация:68±
|
Makita M1901

1 265147-9 + PAN HEAD SCREW M4X22 2 451329-1 NOZZLE 3 893490-2 SCALE LABEL 4 272408-0 KNOB 44 5 267278-0 FLAT WASHER 10 6 142362-1 MAIN FRAME COMPLETE 6 643858-0 BRUSH HOLDER 6X9 6 643509-5 BRUSH HOLDER 6X9 7 851Y45-9 M1901 NAME PLATE 8 665383-1 POWER SUPPLY CORD 1.0-2-2.0 8 695556-2 POWER SUPPLY CORD 1.0-2-2.0 9 682569-2 CORD GUARD 8-85 10 645190-8 NOISE SUPPRESSOR 11 687124-5 STRAIN RELIEF 12 266326-2 TAPPING SCREW 4X18 14 650217-1 SWITCH FA1-6/1B-1 15 452811-3 HANDLE COVER 16 266326-2 TAPPING SCREW 4X18 17 210067-2 BALL BEARING 6000ZZ 18 240068-6 FAN 52 19 510208-3 ARMATURE ASS'Y 240V INC. 17,18,20,21 20 681672-6 INSULATION WASHER 21 210062-2 BALL BEARING 607ZZ 22 593589-0 FIELD ASS'Y 240V 22 654221-2 RING TERMINAL 22 654501-6 CONNECTOR P-1.25 23 452812-1 ASSIST FAN GUIDE 24 266334-3 TAPPING SCREW 4X60 25 263002-9 RUBBER PIN 4 27 191940-4 CARBON BRUSH CB-411 28 643987-9 BRUSH HOLDER CAP 5-8 29 265757-2 THUMB SCREW M5X10 30 233395-8 COMPRESSION SPRING 18 31 421858-8 RUBBER PACKING 32 318780-7 FRONT BASE 33 266326-2 TAPPING SCREW 4X18 34 318499-8 BASE 35 210029-0 BALL BEARING 608ZZ 36 161140-0 DRUM 37 265512-2 FLANGE HEX.BOLT M6X17 38 187679-5 DRUM PLATE SET 39 265132-2 + PAN HEAD SCREW M4X5 40 345644-2 ADJUST PLATE 41 A-82921 T.C.T. MINI PLANER BLADE 42 263002-9 RUBBER PIN 4 43 210067-2 BALL BEARING 6000ZZ 44 140944-3 BRACKET COMPLETE INC. 25,42 45 222163-4 V PULLEY 4-20L 46 266326-2 TAPPING SCREW 4X18 47 456552-3 BELT COVER 48 265101-3 PAN HEAD SCREW M4X25 50 225092-0 POLY V-BELT 4-241 51 222164-2 V PULLEY 4-37 52 343433-9 SET PLATE F/MINI BLADE 53 231698-4 TORSION SPRING 7 54 451392-4 FOOT 165581-2 GUIDE RULE 122695-0 BLADE GAUGE ASS'Y 265131-4 PAN HEAD SCREW M5X18 418465-6 GAUGE PLATE 782229-7 BOX WRENCH 9
78294@mail.ru - 3D печать, крепления для L-boxx Bosch, Festool и многое другое. http://www.78294.ru/forum/48
|
|
|
|
|