|  
  
 | Anat78 | Дата: Понедельник, 25.11.2019, 08:40 | Сообщение # 1 |   
 |  
  
  
  Администраторы 
  
 Anat78Майор  
 Сообщений:7905Репутация:65± | Сабельные пилы: 
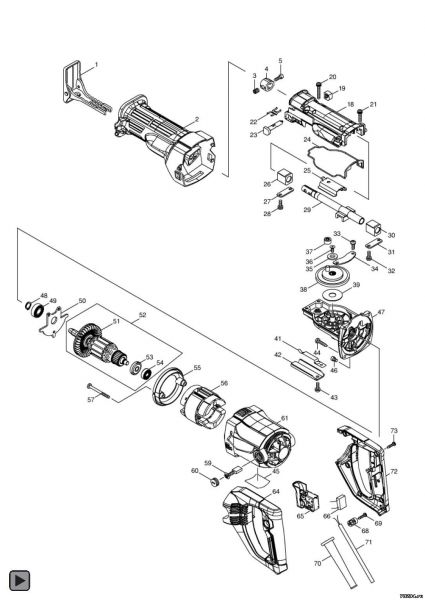
 Makita M4501
 
 
  
 1	165396-7	SHOE
 2	424587-2	INSULATION COVER
 3	424147-0	PROTECTOR
 4	257952-8	RETAINING RING (EXT) 18
 5	310285-3	DRIVING SLEEVE
 6	256492-3	SHOULDER PIN 5
 7	233345-3	COMPRESSION SPRING 6
 8	268094-3	PIN 3
 9	331720-8	GUIDE SLEEVE
 10	256158-5	PIN 3
 11	417791-0	DRIVING SLEEVE GUIDE
 12	418311-3	SLEEVE
 13	345214-7	PUSH PLATE
 14	233025-1	COMPRESSION SPRING 2
 15	231687-9	TORSION SPRING 17
 18	142177-6	GEAR HOUSING COVER COMPLETE
 18	213151-2	OIL SEAL 14
 18	213174-0	X RING 14
 19	418806-6	CAP
 20	911258-5	PAN HEAD SCREW M5X35
 21	911243-8	PAN HEAD SCREW M5X25
 22	232221-8	LEAF SPRING A
 23	162236-0	SHIFT BUTTON
 24	424586-4	SEAL RING
 25	346714-0	SLIDE PLATE
 26	214169-6	PLANE BEARING 14
 27	341462-6	PLATE
 28	911225-0	PAN HEAD SCREW M5X16
 29	168820-9	SLIDER
 30	214169-6	PLANE BEARING 14
 31	341462-6	PLATE
 32	911225-0	PAN HEAD SCREW M5X16
 33	911225-0	PAN HEAD SCREW M5X16
 34	346715-8	GEAR PLATE
 35	267475-8	FLAT WASHER 6
 36	251969-3	HEX. SOCKET HEAD BOLT M5X12
 37	212959-1	NEEDLE BEARING 708
 38	142176-8	GEAR COMPLETE
 39	267474-0	FLAT WASHER 14
 41	232222-6	LEAF SPRING B
 42	346713-2	SHOE GUIDE
 43	911225-0	PAN HEAD SCREW M5X16
 44	266459-3	TAPPING SCREW 5X25
 45	852C78-5	M4501 NAME PLATE
 46	265530-0	HEX.SOCKET HEAD BOLT M5X8
 47	142178-4	GEAR HOUSING COMPLETE
 47	931302-2	HEX. NUT M6
 47	941151-9	FLAT WASHER 6
 48	961052-5	RETAINING RING S-12
 49	210107-6	BALL BEARING 6001ZZ
 50	285737-2	BEARING RETAINER
 51	241863-7	FAN 70
 52	518693-4	ARMATURE ASS'Y 240V
 INC. 51,53,54
 53	681644-1	INSULATION WASHER
 54	210046-0	BALL BEARING 608ZZ
 55	454596-7	BAFFLE PLATE
 56	594629-7	FIELD ASS'Y 220-240V
 56	654220-4	RING TERMINAL
 56	654501-6	CONNECTOR P-1.25
 57	266418-7	TAPPING SCREW 5X55
 59	191963-2	CARBON BRUSH CB-303
 60	643750-0	BRUSH HOLDER CAP 7-11
 61	143587-0	MOTOR HOUSING COMPLETE
 61	643708-9	BRUSH HOLDER 5-11
 64	187717-3	HANDLE SET
 INC. 72
 65	650714-7	SWITCH TN04-6/1BEK
 66	645190-8	NOISE SUPPRESSOR
 68	687124-5	STRAIN RELIEF
 69	266326-2	TAPPING SCREW 4X18
 70	682573-1	CORD GUARD 10
 71	665852-2	POWER SUPPLY CORD 1.0-2-2.0
 71	695454-0	POWER SUPPLY CORD 1.0-2-2.0
 72	187717-3	HANDLE SET
 INC. 64
 73	266326-2	TAPPING SCREW 4X18
 821684-9	PLASTIC CARRYING CASE
 452432-1	SLIDE LATCH
 806G57-9	MAKITA MT LOGO LABEL
 809B15-4	M4501K PLASTIC CASE LABEL
 
 78294@mail.ru - 3D печать, крепления для L-boxx Bosch, Festool  и многое другое.
 http://www.78294.ru/forum/48
 |  |  |  |  | 
|  
  
 | Anat78 | Дата: Понедельник, 25.11.2019, 08:41 | Сообщение # 2 |   
 |  
  
  
  Администраторы 
  
 Anat78Майор  
 Сообщений:7905Репутация:65± | Makita M4500 
 
  
 1	165741-6	SHOE
 2	424588-0	INSULATION COVER
 3	266202-0	H.SOCKET SET SCREW(HOLE)M8X10
 4	313075-3	BLADE CLAMP
 5	266090-5	HEX. SOCKET HEAD BOLT M5X15
 18	142177-6	GEAR HOUSING COVER COMPLETE
 18	213151-2	OIL SEAL 14
 18	213174-0	X RING 14
 19	418806-6	CAP
 20	911258-5	PAN HEAD SCREW M5X35
 21	911243-8	PAN HEAD SCREW M5X25
 22	232221-8	LEAF SPRING A
 23	162236-0	SHIFT BUTTON
 24	424586-4	SEAL RING
 25	346714-0	SLIDE PLATE
 26	214169-6	PLANE BEARING 14
 27	341462-6	PLATE
 28	911225-0	PAN HEAD SCREW M5X16
 29	168821-7	SLIDER
 30	214169-6	PLANE BEARING 14
 31	341462-6	PLATE
 32	911225-0	PAN HEAD SCREW M5X16
 33	911225-0	PAN HEAD SCREW M5X16
 34	346715-8	GEAR PLATE
 35	267475-8	FLAT WASHER 6
 36	251969-3	HEX. SOCKET HEAD BOLT M5X12
 37	212959-1	NEEDLE BEARING 708
 38	142176-8	GEAR COMPLETE
 39	267474-0	FLAT WASHER 14
 41	232222-6	LEAF SPRING B
 42	346713-2	SHOE GUIDE
 43	911225-0	PAN HEAD SCREW M5X16
 44	266459-3	TAPPING SCREW 5X25
 45	852C68-8	M4500 NAME PLATE
 46	265530-0	HEX.SOCKET HEAD BOLT M5X8
 47	142178-4	GEAR HOUSING COMPLETE
 47	931302-2	HEX. NUT M6
 47	941151-9	FLAT WASHER 6
 48	961052-5	RETAINING RING S-12
 49	210107-6	BALL BEARING 6001ZZ
 50	285737-2	BEARING RETAINER
 51	241863-7	FAN 70
 52	518693-4	ARMATURE ASS'Y 240V
 INC. 51,53,54
 53	681644-1	INSULATION WASHER
 54	210046-0	BALL BEARING 608ZZ
 55	454596-7	BAFFLE PLATE
 56	594629-7	FIELD ASS'Y 220-240V
 56	654220-4	RING TERMINAL
 56	654501-6	CONNECTOR P-1.25
 57	266418-7	TAPPING SCREW 5X55
 59	191963-2	CARBON BRUSH CB-303
 60	643750-0	BRUSH HOLDER CAP 7-11
 61	143587-0	MOTOR HOUSING COMPLETE
 61	643708-9	BRUSH HOLDER 5-11
 64	187717-3	HANDLE SET
 INC. 72
 65	650714-7	SWITCH TN04-6/1BEK
 66	645190-8	NOISE SUPPRESSOR
 68	687124-5	STRAIN RELIEF
 69	266326-2	TAPPING SCREW 4X18
 70	682573-1	CORD GUARD 10
 71	665852-2	POWER SUPPLY CORD 1.0-2-2.0
 71	695454-0	POWER SUPPLY CORD 1.0-2-2.0
 72	187717-3	HANDLE SET
 INC. 64
 73	266326-2	TAPPING SCREW 4X18
 783221-6	HEX.WRENCH 5/32"
 821684-9	PLASTIC CARRYING CASE
 452432-1	SLIDE LATCH
 806G57-9	MAKITA MT LOGO LABEL
 809B13-8	M4500K PLASTIC CASE LABEL
 
 78294@mail.ru - 3D печать, крепления для L-boxx Bosch, Festool  и многое другое.
 http://www.78294.ru/forum/48
 |  |  |  |  |