Приветствую Вас,
Гость
Форумчане:
Всего пользователей
|
| Форум Электроинструмент Переделка зарядных устройств из Америки на 220 вольт и ремонт Зарядные Stanley Зарядное устройство Stanley SC202 18V схема |
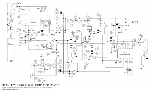
| Зарядное устройство Stanley SC202 18V схема | |||||||||
| |||||||||
|
| |||
| |||















