|
Шуруповерт Makita DDF453 и BDF453 ремонт
|
|
|
Anat78
|
Дата: Вторник, 24.01.2023, 16:46 | Сообщение # 1
|
Администраторы
Anat78
Подполковник
- Сообщений:8143
- Репутация:67±
|
Шуруповерт Makita DDF453 и BDF453 ремонт
На свет модель появилась в 2008 году и называлась BDF453
Расскажу почему раньше многие модели инструмента Makita начинались с буквы B а не D. Дело все в том что старые аккумуляторы Makita серии LXT не были такими умными как сейчас и имели всего лишь две клеммы - плюс и минус, так же и терминал на инструменте имел всего два контакта, и самый большой аккумулятор был всего лишь на 3 ампер часа. И с появлением новых аккумуляторов на 4, 5 и 6 ампер часов они даже не устанавливались на некоторые модели с буквой B в названии.
Ниже на фото видно как отличаются модели BDF и DDF

Схематично дрель выглядит вот так:

Деталей здесь не много, всего 14 и поэтому давайте пройдемся по каждой в отдельности.
Первая позиция
Рычаг переключения скоростей в сборе, артикул 125310-5
Деталь состоит из пластикового рычага и двух компрессионных пружин внутри:

Рычаг устанавливается на редуктор вот таким образом:



Очень важное замечание при работе инструмента:

Кстати такой переключатель используется не только в 453 модели, но и во многих других, перечислю все эти модели: 6261D, 6271D, 6281D, 6317D, 6337D, 6347D, 8271D, 8281D, BDF343, BDF440, BDF450, BDF453, BHP343, BHP440, BHP450, BHP453, DDF343, DF347D, DF457D, DHP453, HP347D, HP457D.
Если вы потеряете пружину рычага, не беда, ее можно купить отдельно и у этой детали есть артикул 231433-0 и называется она - Пружина сжатия 4

Вторая позиция
Корпус в комплекте и состоит он сразу из двух половинок, то есть при заказе к вам придет не просто правая половина корпуса, но и левая - позиция 14 на схеме. Артикул корпуса изначально был 188542-5 и его еще можно купить в России.
Корпус 188542-5 голубого цвета и производится для следующих стран: Австралия, Австрия, Кипр, Франция, Германия, Италия, Нидерланды, Новая Каледония, Новая Зеландия, Польша, Реюньон, Россия, Испания, Швеция, Швейцария, Таити, Турция, Великобритания.
Корпус 188542-5 вам будет нужен если у вас модель BDF453, если же у вас модель DDF453 то вам нужен другой артикул и это 187363-2. Изменения эти произошли в декабре 2011 года и как вы уже видели на схеме вначале статьи, связано это с тем что появились умные аккумуляторы и для контроля защиты аккумулятора на выключателе добавлен еще один желтый провод транзистор и так же изменен терминал куда вставляется аккумулятор. И что бы новые детали уместились в корпус пришлось внести некоторые изменения в конструкцию. Изменения затронули только внутренности корпуса, с внешней стороны все осталось так же.

Так же существует корпус белого цвета, который производят для следующих стран: Канада, Панама, Швеция, США. Артикул белого корпуса для модели BDF453 - 188543-3, а для модели DDF453 - 187365-8. У нас такие корпуса не продаются.
78294@mail.ru - 3D печать, крепления для L-boxx Bosch, Festool и многое другое. http://www.78294.ru/forum/48
|
|
|
|
|
|
Anat78
|
Дата: Вторник, 24.01.2023, 16:52 | Сообщение # 2
|
Администраторы
Anat78
Подполковник
- Сообщений:8143
- Репутация:67±
|
Третья позиция
На схеме это фирменная табличка. Для BDF453 артикул 865448-1, а для DDF453 - 815G82-9, но купить их у нас нельзя.
Четвертая позиция
Самонарезающий винт с PT крепежной головкой 3X16, их всего 9 штук и необходимы они для скрепления двух половинок корпуса шуруповерта.
 Артикул 266130-9
 Пятая позицияЛистовая пружина, артикул 232182-2
 Когда вы регулируете крутящий момент затяжки слышны характерные щелчки, так вот эти щелчки и происходят за счет этой пружины. Устанавливается пружина вот таким образом:
 Такая пружина используется в еще большем количестве инструмента - 6260D, 6261D, 6270D, 6271D, 6280D, 6281D, 6317D, 6337D, 6347D, 6390D, 8271D, 8280D, 8281D, BDF343, BDF440, BDF442, BDF446, BDF450, BDF452, BDF453, BDF456, BDF459, BHP343, BHP440, BHP442, BHP446, BHP450, BHP452, BHP453, BHP456, BHP459, DDF343, DDF446, DDF453, DDF456, DDF459, DDF480, DDF482, DDF485, DF347D, DF457D,DHP343, DHP446, DHP453, DHP456, DHP459, DHP480, DHP482, DHP485,HP347D Шестая позицияРычаг переключения реверса, артикул - 419250-0.
Важный момент при работе с инструментом
 Переключатель устанавливается таким образом:
 Модели инструмента где стоит эта деталь BDF343, BDF441, BDF442, BDF444, BDF446, BDF448, BDF451, BDF452, BDF453, BDF454, BDF456, BDF458, BDF459, BHP343, BHP441, BHP442, BHP444, BHP446, BHP448, BHP451, BHP452, BHP453, BHP454, BHP456, BHP458, BHP459, DDA450, DDF343, DDF441, DDF444, DDF446, DDF448, DDF451, DDF453, DDF454, DDF456, DDF458, DDF459, DDF480, DDF481, DHP343, DHP441, DHP444, DHP446, DHP448, DHP451, DHP453, DHP454, DHP456, DHP458, DHP459, DHP480, DHP481, TD0101, TD0101F. Седьмая позицияБлок переключения. Изначально в самой старой модели BDF453 был установлен переключатель TG563FSB-4 с артикулом 650604-4, он кстати еще продается и устанавливается на модели BDF453 и BHP453, а так же имеет наклейку с названием и артикулом на корпусе белого цвета.

Выключатель производит компания SATORI В последствии в январе 2011 года был изменен подвижный контакт переключателя, а так же так как полевые транзисторы моделей уже были модифицированы с апреля 2010 года то на корпусе к номеру лота добавили маркировку О и цвет наклейки изменили с белого на желтый что бы можно было их различать. Артикул остался прежний.
 Вот так выглядит его схема
 Укладка выключателя проводов в корпусе выглядит вот так:

А в марте 2012 года с появлением новых аккумуляторов с защитой этот выключатель изменили и теперь он называется не переключатель TG563FSB-4, а блок переключения и имеет артикул 632A23-2
Причем есть один нюанс, в группе стран Австралия, Австрия, Кипр, Франция, Германия, Италия, Нидерланды, Новая Каледония, Новая Зеландия, Польша, Реюньон, Россия, Испания, Швеция, Швейцария, Таити, Турция, Великобритания в выключатель добавлен сетевой фильтр помех, который кстати можно приобрести отдельно, его артикул 688165-4 Блок переключения устанавливается в модели BDF453, BHP453, DDF453, DHP453, только внимательно смотрите какой у вас корпус самого инструмента.
78294@mail.ru - 3D печать, крепления для L-boxx Bosch, Festool и многое другое. http://www.78294.ru/forum/48
|
|
|
|
|
|
Anat78
|
Дата: Вторник, 24.01.2023, 16:58 | Сообщение # 3
|
Администраторы
Anat78
Подполковник
- Сообщений:8143
- Репутация:67±
|
Схематично блок переключения с фильтром выглядит вот так:

А в группе стран Аргентина, Бутан, Бразилия, Канада, Чили, Гонконг, Корея, Кувейт, Индонезия, Мексика, Панама, Саудовская Аравия, Южная Африка, Тайвань, Таиланд, США, Вьетнам блок переключения используется без фильтра помех и имеет артикул 632A24-0, кстати такой блок продается и у нас.
Странно что сервисная программа выдает что этот блок устанавливается на модели BDF343, BHP343, DDF343, DHP343 (кто не знает, это модели 14 вольтового инструмента), но если мы возьмем упаковку от выключателя, то на нем будет указана модель DF453D, так что все нормально.

Схематично блок переключения без фильтра помех выглядит следующим образом:

Данные переключатель производит уже не компания Satori, а компания Omron. Укладка проводов и самого переключателя в корпусе выглядит вот так:

Восьмая позиция
Контактный разъем. Изначально на самой первой модификации был установлен разьем с артикулом 643812-4 на котором было всего два контакта. Разъем имеется в продаже.

Такой терминал был установлен на моделях BDF450, BDF452, BDF453, BFR550, BFR750, BFS450, BHP450, BHP452, BHP453, BJS130, BTD140, BTD141, BTD142, BTL061, BTL063, BTP140, BTW251, BTW253 В последствии с января 2009 года на моделях BDF452, BDF453, BHP452, BHP453, BTD140, BTD141, BTD142 терминал был изменен, как показано ниже, чтобы с первого взгляда определить совместимость с батареями.

желтый (Модель с разъемом желтого цвета совместима с BL1815.). Видимо это сделано для того что бы не ставить более слабые батареи на мощный инструмент (это мое предположение, точного ответа я пока не знаю) Новый артикул желтого терминала 643844-1, разъем так же продается

Ну а когда появились новые аккумуляторы с защитой, а переключатели с третьим проводом, то и терминал то же заменили на 643852-2

и выглядит терминал теперь вот так

Такой терминал установлен на следующих моделях инструмента BDF453, BDF456, BFS451, BHP453, BHP456, BTD146, BTL061, BTM50, BTP140, BTW251, BUH523, BUM168, BUR181, BVC350, DDF453, DDF456, DFS451, DHP453, DHP456, DJR183, DJR185, DTD146, DTD152, DTD156, DTL061, DTL063, DTM50, DTM51, DTW190, DTW251, DUH523, DUM111, DUM168, DUM604, DUR181, DVC350.
78294@mail.ru - 3D печать, крепления для L-boxx Bosch, Festool и многое другое. http://www.78294.ru/forum/48
|
|
|
|
|
|
Anat78
|
Дата: Среда, 25.01.2023, 16:22 | Сообщение # 4
|
Администраторы
Anat78
Подполковник
- Сообщений:8143
- Репутация:67±
|
Девятая позиция
Винт с плоской шлицевой головкой M6X22, артикул 251468-5
Винт левосторонний и с резьбовым фиксатором, необходим для фиксации патрона
Такой винт установлен на очень большом количестве моделей makita 6260D, 6261D, 6270D, 6271D, 6280D, 6281D, 6390D, 8271D, 8280D, 8281D, BDF343, BDF441, BDF442, BDF444, BDF446, BDF448, BDF451, BDF452, BDF453, BDF454, BDF456, BDF458, BDF459, BHP343, BHP441, BHP442, BHP444, BHP446, BHP448, BHP451, BHP452, BHP453, BHP454, BHP456, BHP458, BHP459, DDF343, DDF441, DDF444, DDF446, DDF448, DDF451, DDF453, DDF454, DDF456, DDF458, DDF459, DDF480, DDF481, DDF482, DDF483, DDF484, DDF485, DDF486, DF001G, DF001G, DF002G, DF0300, DF332D, DF333D, DF347D, DF457D, DHP343, DHP441, DHP444, DHP446, DHP448, DHP451, DHP453, DHP454, DHP456, DHP458, DHP459, DHP480, DHP481, DHP482, DHP483, DHP484, DHP485, HP001G, HP001G, HP002G, HP0300, HP330D, HP331D, HP332D, HP333D, HP347D, HP457D, M6301D M8301D, MT064, MT065, MT070, MT071, MT080, MT081.
Десятая позиция
Быстрозажимной сверлильный патрон 13, артикул 766004-9

Быстрозажимной патрон с пластиковым корпусом и фиксатором усилия зажима, производит немецкая копания ROHM GmbH - на сегодняшний день является самым крупный и высокотехнологичным производителем зажимной техники для металлообрабатывающего оборудования в мире.

Такой патрон компания Makita использует в следующих моделях BDF453, BHP453, DDF453, DF457D, DHP453, HP457D.
В марте 2013 года втулочная часть быстрозажимного сверлильного патрона была изменена. Артикул остается прежним.

Старая версия патрона выглядела так:

Одиннадцатая позиция
Редуктор в сборе, артикул 125483-4 В редуктор внесли изменения для моделей BDF453, DDF453 в следующих странах: Австрия, Бутан, Кувейт, Россия, Саудовская Аравия, Словения. Изменение цвета надписи с синего на черный

(Если месяц производства дрели приходится на июль 2017 г., то редуктор имеет обозначение черным шрифтом.)

Двенадцатая позиция
DC мотор, в первой версии использовался артикул 629834-8
Но в сентябре 2011 для стран: Австралия, Австрия, Кипр, Франция, Германия, Италия, Нидерланды, Новая Каледония, Новая Зеландия, Польша, Реюньон, Россия, Испания, Швеция, Швейцария, Таити, Великобритания двигатель поменяли на 629937-8
Двигатели эти производит компания MABUCHI MOTOR CO., LTD.
Изменения сделали скорее всего для удешевления инструмента, на сегодняшний день можно использовать оба двигателя, разница в цене моторов составляет 342 рубля, новый стоит дешевле.

Двигатели немного отличаются корпусами
Модель 629834-8 используется в инструментах: 6390D BDF453 BHP453 DHP453 M6301D M8301D MT071 MT081 и выглядит вот. так:

А модель 629937-8 установлена на BDF453 DDF453 DF457D HP457D

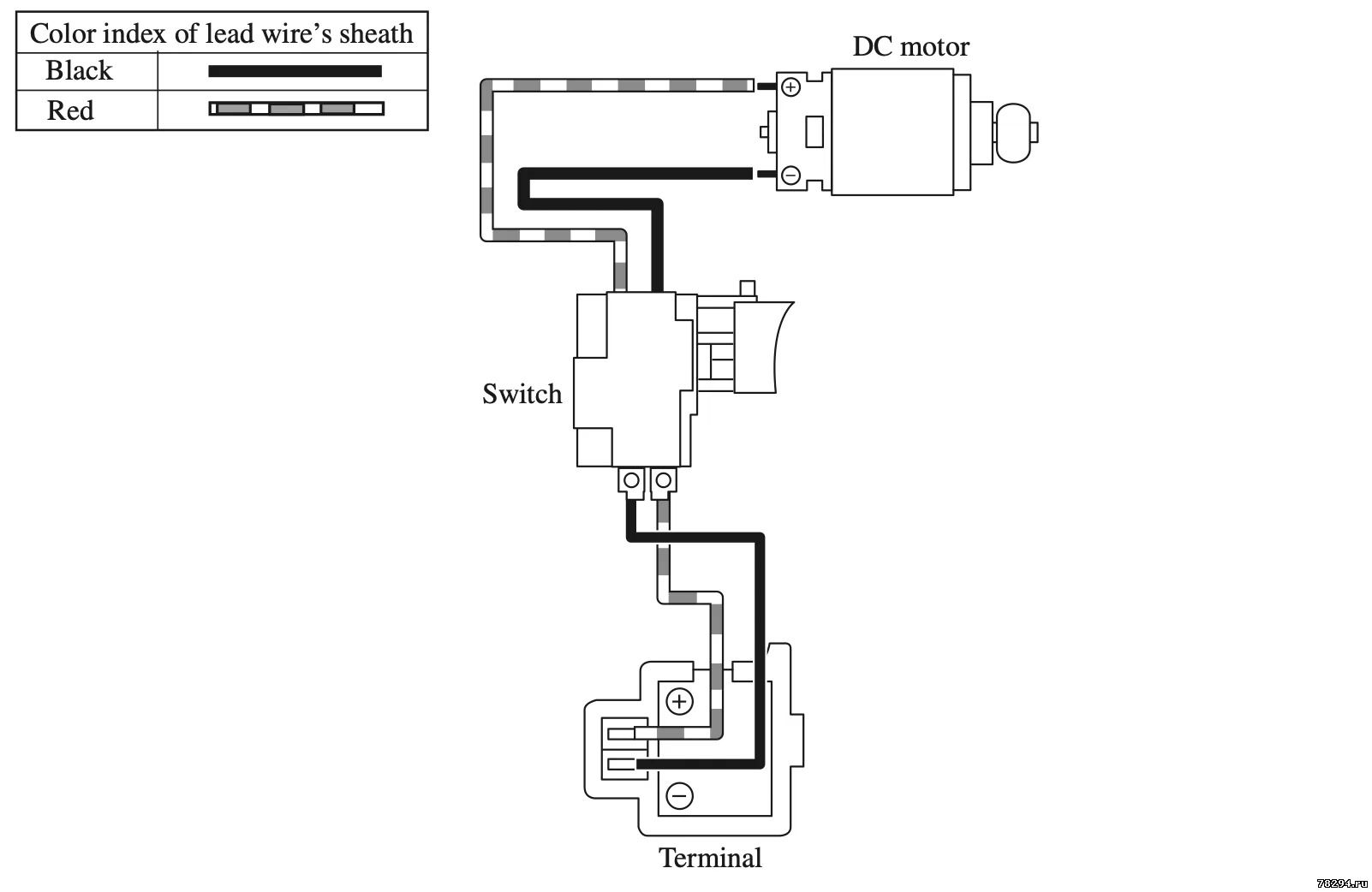
На корпусе двигателя около клемм красной точкой обозначен плюсовой контакт, к которому необходимо подключать красный провод выключателя
78294@mail.ru - 3D печать, крепления для L-boxx Bosch, Festool и многое другое. http://www.78294.ru/forum/48
|
|
|
|
|
|
Anat78
|
Дата: Среда, 25.01.2023, 16:24 | Сообщение # 5
|
Администраторы
Anat78
Подполковник
- Сообщений:8143
- Репутация:67±
|
Тринадцатая позиция
Винт с полукруглой головкой M4X8 WR, артикул 911108-4. Винтов в конструкции два и необходимы они для закрепления задней крышки редуктора к двигателю вот таким образом:

Нужно быть внимательным что бы не перепутать верх и низ крышки редуктора, верхом будет то место где на крышке редуктора отсутствует выступ, а верх двигателя это плюсовой контакт, так же верх редуктора это место куда вставляется переключатель режимов.
78294@mail.ru - 3D печать, крепления для L-boxx Bosch, Festool и многое другое. http://www.78294.ru/forum/48
|
|
|
|
|
|
Anat78
|
Дата: Четверг, 18.04.2024, 10:24 | Сообщение # 6
|
Администраторы
Anat78
Подполковник
- Сообщений:8143
- Репутация:67±
|
Подробная инструкция по ремонту и обслуживанию DDF453 - https://www.makitapro.ru/u/spares/repair/DDF453-TE.pdf Подробная инструкция по ремонту и обслуживанию BDF453 - https://www.makitapro.ru/u/spares/repair/BDF453-TE.pdf
Подробная инструкция по ремонту и обслуживанию BHP453 - https://www.makitapro.ru/u/spares/repair/BHP453-TE.pdf Подробная инструкция по ремонту и обслуживанию DHP453 - https://www.makitapro.ru/u/spares/repair/DHP453-TE.pdf
78294@mail.ru - 3D печать, крепления для L-boxx Bosch, Festool и многое другое. http://www.78294.ru/forum/48
|
|
|
|
|