Приветствую Вас,
Гость
Форумчане:
Всего пользователей
|
| Форум Электроинструмент Переделка зарядных устройств из Америки на 220 вольт и ремонт Зарядные HYUNDAI и ЗУБР Зарядное устройство ИСТОК-2 схема |
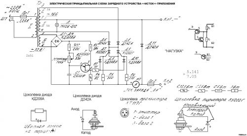
| Зарядное устройство ИСТОК-2 схема | |||||||||
|
| |||
| |||









