Приветствую Вас,
Гость
Форумчане:
Всего пользователей
|
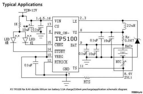
| Форум Электроинструмент Схемы BMS, подключение и тесты Модуль заряда лития TP5100 1S-4.2V, 2S-8.4V до 2А |
| Модуль заряда лития TP5100 1S-4.2V, 2S-8.4V до 2А | |||||||||
| |||||||||
|
| |||
| |||














